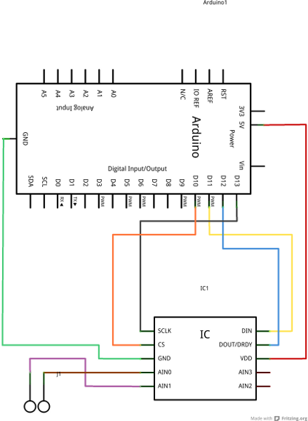
Documents / images / Shepard v1.1 DAQ Temperature Schematic Small
Revisions
2013-05-21 23:10:03 by Jeremy Wright
Shepard v1.1 DAQ Temperature Schematic Small
images/Shepard_v1.1_DAQ_Temperature_schem_Small.png
Small size of the Fritzing generated schematic for the ADS1118 temperature sensing circuit.
0.1
None
image/png
42.6 kB

