Documents / images / Shepard v1.1 DAQ Thrust Circuit schem Small
Revisions
2013-06-10 10:49:03 by Jeremy Wright
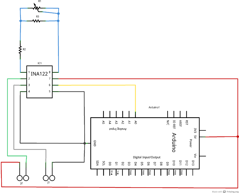
Shepard v1.1 DAQ Thrust Circuit schem Small
images/Shepard_v1.1_DAQ_Thrust_Circuit_schem_Small.png
A small version of the schematic diagram (made with Fritzing) for the thrust circuitry.
0.1
None
image/png
42.8 kB

