Documents / images / Shepard v1.1 DAQ Thrust Circuit schem
Revisions
2013-06-10 10:48:43 by Jeremy Wright
Shepard v1.1 DAQ Thrust Circuit schem
images/Shepard_v1.1_DAQ_Thrust_Circuit_schem.png
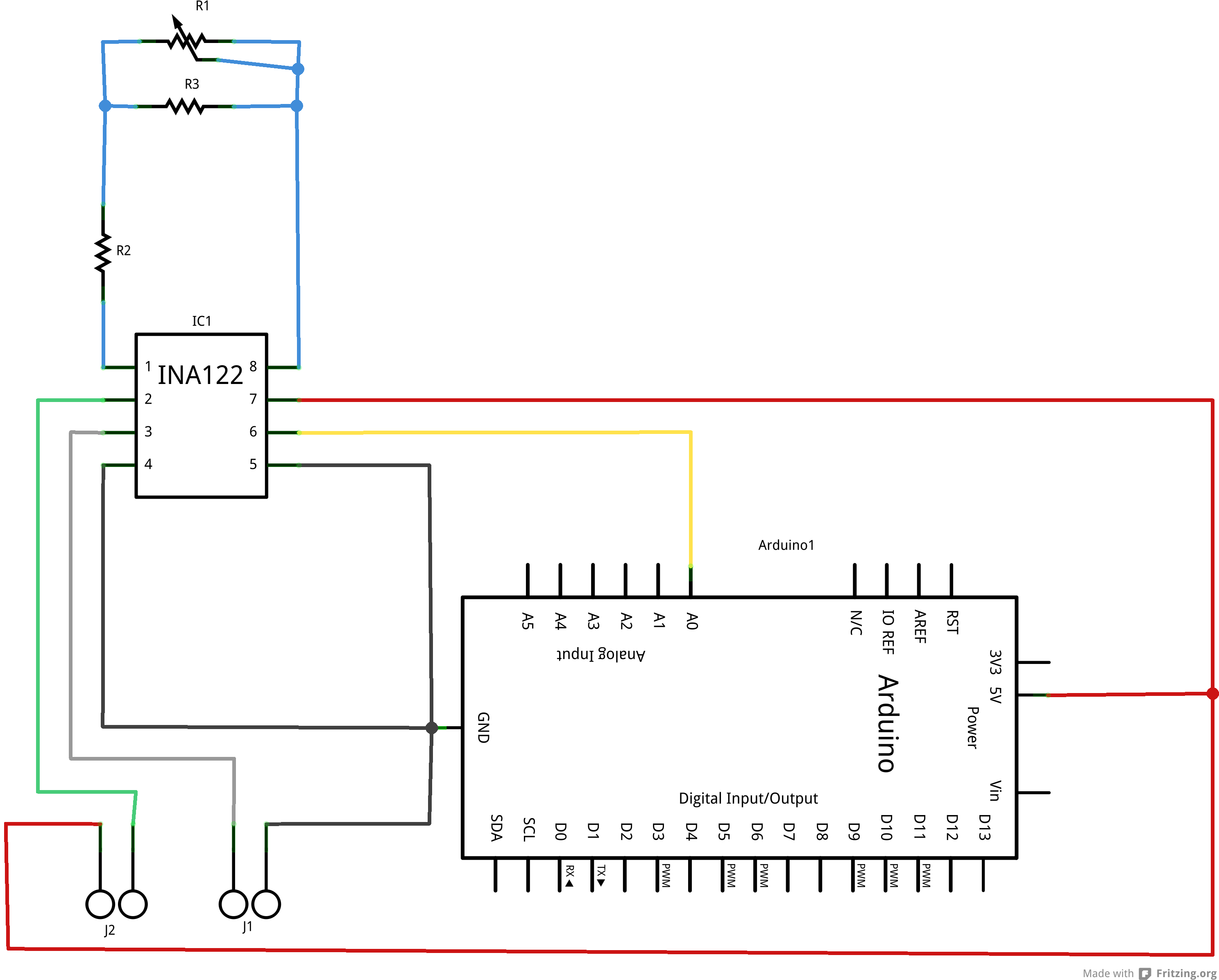
A large version of the schematic diagram (made with Fritzing) for the thrust circuitry.
0.1
None
image/png
175 kB

