« Previous - Version 2/4 (diff) - Next » - Current version
Aaron Harper, 01/30/2013 08:54 pm


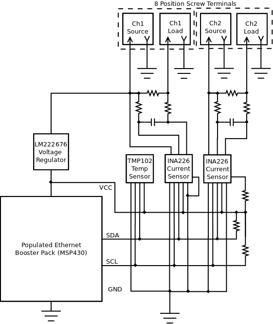
Power/Temp Monitor and Control System (EPS/ECLSS) Block Diagram Version 1.0

Block_Diagram1.png (43.7 kB) Aaron Harper, 01/29/2013 08:30 pm

Block_Diagram1.png (29.4 kB) Aaron Harper, 01/29/2013 11:36 pm

Block_Diagram2.png (36.8 kB) Aaron Harper, 01/30/2013 08:54 pm

Block_Diagram.png (23.2 kB) Aaron Harper, 02/01/2013 03:51 pm

Also available in: HTML TXT